Zámek ROTO závěrové body V
Kód: R776506Související produkty
Detailní popis produktu
- Videonávod na otočení střelky lištového zámku ROTO
- Lištový zámek ROTO C600 4V, 4 x bezpečností hřibový čep V s plochou lištou 16 mm ovládaný klíčem
- Pro dveře levé i pravé
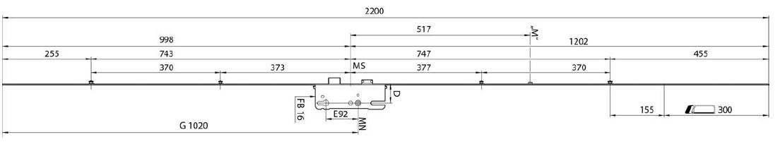
- Pro výšku dveří (FFH) 1900-2200 mm
- Délka krycí lišty 2200 mm (v horní části možnost zakrácení o 300 mm)
- Délka hlavního zámku (středové kapsy) 213 mm

- Čep V = bezpečnostní hřibový čep s možností seřízení výšky a přítlaku +/-0,8 mm
- Dorn D = 45 mm (rozměr D = osová vzdálenost kliky od čela lišty zámku)
- Rozteč E = 92 mm (rozměr E = osová vzdálenost kliky a fab)
- Výška kliky G = 1020 mm (rozměr G = od spodní hrany lišty zámku na střed otvoru pro kliku MN)
- Čtyřhran pro kliku 8x8 mm
- Povrchová úprava RotoSil Nano (stříbrná povrchová úprava)
- Střed hlavního zámku (hlavní kapsy) = MS
- Umístění čepů V od středu hlavního zámku MS - ve směru nahoru 377 a 747 (377+370), ve směru dolu 373 a 743 (373+370)
Součástí dodávky nejsou upevňovací šroubky, rámové protikusy a ani zámková vložka fab

Buďte první, kdo napíše příspěvek k této položce.
Přidat komentář




